產品分類
聯(lián)系我們
產品搜索
|
|
文件名:AKS系列擺缸液壓馬達
|
|
|
扭矩范圍:235~11875N*m 轉速范圍:8~500r/min
|
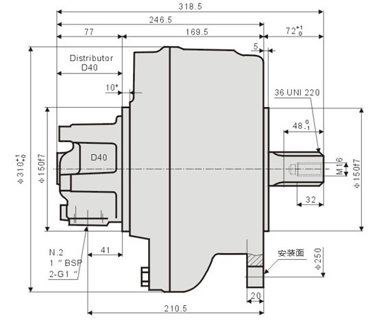
AKS3系列擺缸液壓馬達外形尺寸

標準輸出軸方式有三種:外花鍵,內花鍵I,平鍵,詳細參數可點擊參考樣本下載,若有不明白之處或需要其他方式的鍵需與我司聯(lián)系。
AKS3系列擺缸(內五星)液壓馬達技術參數
|
型號 |
理論排量(ml/r) |
額定壓力Mpa |
尖峰壓力Mpa |
額定扭矩(n.m) |
單位扭矩(n.m/mpa) |
連續(xù)轉速(r/min) |
最高轉速(r/min) |
最大功率(KW) |
重量(KG) |
|
AKS3-425 |
426 |
25 |
42.5 |
1660 |
66.4 |
0.7-500 |
650 |
80 |
87 |
|
AKS3-500 |
486 |
25 |
42.5 |
1895 |
15.8 |
0.5-450 |
600 |
||
|
AKS3-600 |
595 |
25 |
40 |
2320 |
92.8 |
0.5-450 |
575 |
||
|
AKS3-700 |
690 |
25 |
35 |
2700 |
108 |
0.5-400 |
500 |
||
|
AKS3-800 |
792 |
25 |
35 |
3100 |
124 |
0.5-400 |
500 |
||
|
AKS3-900 |
873 |
25 |
35 |
3400 |
136 |
0.5-350 |
400 |
||
|
AKS3-1000 |
987 |
25 |
28 |
3850 |
154 |
0.5-300 |
350 |
本文標題:AKS3系列 1000~3000牛米 小體積液壓馬達